产品简介
一、产品简介:
随着国家对电力行业粉尘排放浓度标准的进一步提高,高除尘效率的袋式除尘器在电力行业的应用得到了大量的推广。
目前在电厂应用的布袋除尘器中,长臂回旋管喷嘴袋除尘器由于其适宜处理大风量含尘气体,脉冲阀维护工作量小,喷吹量大、压力低,能节约大量能源等特点,深受电力行业用户的欢迎,具有广泛的发展空间。其中,清灰系统的“心脏”部件电磁脉冲阀普遍是国外进口的8寸以上的大阀,而国内生产的阀口径大都在3寸以下,不能满足其大喷吹量的要求。我公司科研人员,为了适应高速发展的环保工业要求,经过不懈努力,已研制出8寸、10寸、12寸、14寸、16寸等规格的旋喷吹大口径电磁脉冲阀。
二、产品特点:
旋喷吹大口径电磁脉冲阀使用三级隔膜片结构,保证卸荷排气匹配,保证充气阻尼匹配,使电磁脉冲阀控制和喷吹灵敏度高,流通性好。
大幅度提高脉冲阀的喷吹量,大幅度提高了电磁脉冲阀的作功能力。大幅度降低脉冲阀的喷吹压力,使运行经济、稳定可靠。
供气压力小于0.1MPa,使用压缩空气,不受管网同时用气的影响,运行稳定、可靠。
供气压力低,可使用罗茨鼓风机供气,设备便宜,管理简单,运行经济,使用方便。
旋喷吹大口径电磁脉冲阀与压力气包连成一体制造,使用大体积大重量的电磁脉冲阀经一次安装后,拆装维修极其方便。
三、工作原理:
超低压电磁脉冲阀是靠膜片两面受力面积差形成的压力差关闭脉冲阀,电磁脉冲阀的受控先导头,以0.15~0.3秒脉冲宽度的时间打开卸荷孔,膜片高压区气流卸荷,膜片抬起,进行脉冲喷吹。
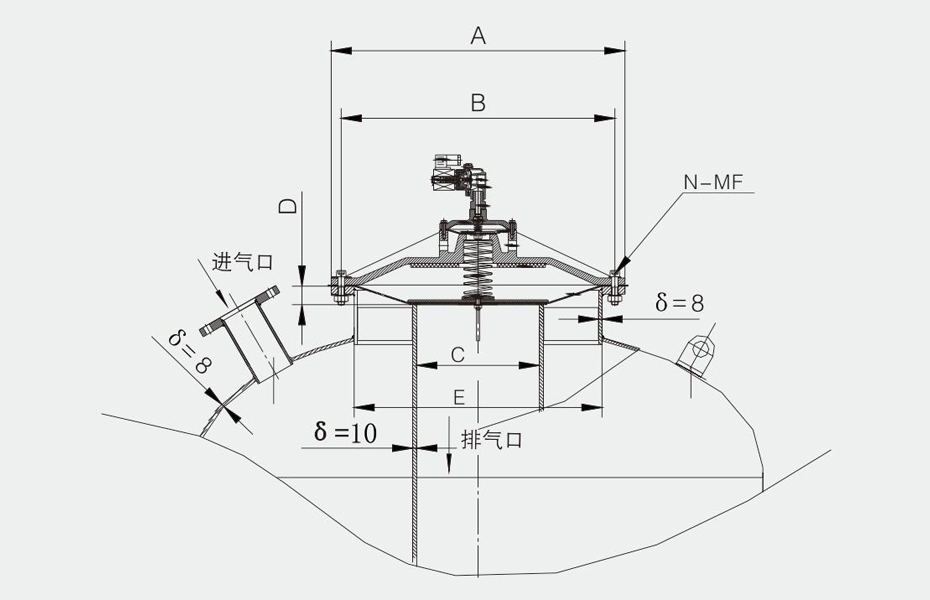
产品规格
一、旋喷吹大口径电磁脉冲阀DMY-III系列外形尺寸


二、技术标准:
工作压力:0.05~0.1MPa
工作介质:清洁空气
电压:DC24V(AC220V/50HZ)
电流:0.8A(0.05A)
使用环境:1、温度:-25℃~120℃
2、空气的相对湿度不超过85%
三、安装说明:
1、气包安装尺寸必须符合说明书要求,安装前所有配合面必须清理清洁;
2、气包安装端面,必须光洁,不得有毛刺、锐角、焊渣等一切影响膜片寿命的异物存在;
3、膜片安装时(阀体安装前),膜片孔的位置必须与气包法兰孔位置对齐;
4、膜片组件有凸出环形面必须与气包排气管端面配对;
5、阀体安装时注意弹簧必须放在膜片弹簧固定盘槽内;
6、阀体安装完成后,气包上加消音防护罩,以保证阀体清洁、干燥,增加阀的使用寿命,减少噪声污染。
