•8日,国家节能中心副主任闫勇哲带队深入南钢,就企业节能减碳、绿色发展和“双碳”推进等情况展开调研。

•8日,中信特钢公告称,公司第十届董事会第一次会议选举钱刚为公司第十届董事会董事长,选举郭家骅为公司第十届董事会副董事长。聘任李国忠先生为公司总裁,谢文新先生、罗元东先生为公司副总裁。
•9日,沙钢集团子公司安阳永兴特钢收购安阳地区2家钢企140万吨炼铁产能。

•9日至10日,全国人大常委会副委员长、民进中央主席蔡达峰一行调研中信泰富特钢集团。

•10日,由省市场监管局指导,南京市产品质检院承办的“江苏精品”国际认证联盟工作会议在扬州隆重召开。 华夏认证中心有限公司、冶金工业规划研究院、方圆标志农食(江苏)认证检测有限公司、江苏省产品质量监督检验研究院、苏交科集团检测认证有限公司等5家认证机构获准加入认证联盟。

•10日,沙钢集团党委书记、董事长沈彬在沙钢宾馆会见了方同舟控股董事局主席王建东、六安钢铁控股集团总裁牛树林一行。

•11日,《财富》发布“2023年中国ESG影响力榜单”,中兴通讯凭借其在绿色发展、社会责任、公司治理方面做出的卓越努力,继2022年之后再次荣登榜单。

•11日,沙钢集团、兴澄特钢、永钢集团、南京钢铁、中天钢铁、龙腾特钢、镔鑫钢铁、联鑫钢铁、兴达钢帘线等钢企入选2023中国品牌价值评价信息排行榜。

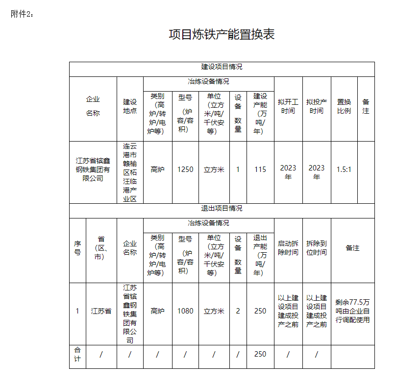
•12日,省工信厅发布了关于江苏省镔鑫钢铁集团有限公司1080m3高炉迁建升级为1250m3高炉绿色低碳项目产能置换方案的公示。


•12日,省市场监管局发布关于江苏省申报第五届中国质量奖组织和个人名单公示的公告,南京天加环境科技有限公司、南京钢铁股份有限公司、江阴兴澄特种钢铁有限公司、江苏沙钢集团有限公司、江苏天工工具新材料股份有限公司、江苏兴达钢帘线股份有限公司、中兴通讯(南京)5G基站智能生产组(中兴通讯(南京)有限责任公司入选。
•12日,江苏海事局局长、党组书记朱汝明一行在张家港海事局局长、党委书记顾立刚等领导的陪同下到沙钢调研。

•12-13日,江苏德龙集团董事长戴国芳一行先后到印尼德龙工业园北莫洛瓦里基地和肯达里基地调研指导工作。

