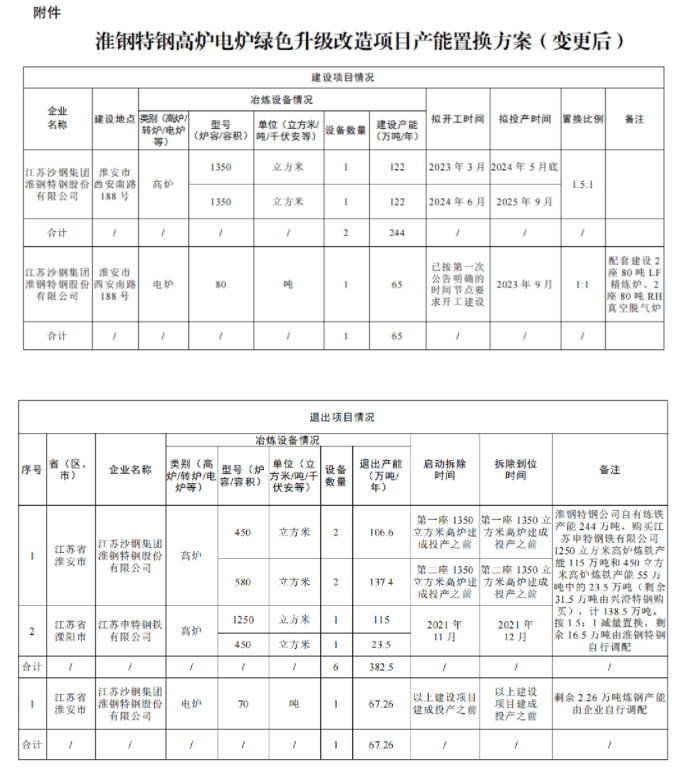
•10日,省工信厅发布了关于江苏沙钢集团淮钢特钢股份有限公司高炉电炉绿色升级改造项目产能置换方案(变更后)的公告。

•14日,复星国际有限公司(复星国际,00656.HK)发布公告称,沙钢集团(作为买方)与复星高科、复星产投及复星工发(作为卖方,均为复星国际的附属公司)签订股权转让协议,卖方以135.8亿元(人民币)的价格出售南京南钢钢铁联合有限公司(简称“南京南钢”)60%的股权。出售事项完成后,卖方将不再持有南京南钢任何股权。

•14日,省工信厅发布了江苏省新能源汽车充(换)电设施建设运营承诺公示企业(第四批)名单。省钢协常务理事单位徐州市万帮新能源科技有限公司、连云港市万帮星星充电设备有限公司入选。

•14日,江苏省总工会发布了关于命名2022年度职工服务中心赋能创优和幸福企业建设试点示范单位的通报,南京钢铁联合有限公司、江阴兴澄特种钢铁有限公司、东方润安集团有限公司、江苏永钢集团有限公司、江苏沙钢集团淮钢特钢股份有限公司、中储南京智慧物流科技有限公司获评“2022 年度幸福企业建设省总工会试点示范单位”。

•15日,工信部办公厅发布了关于公布2022年工业互联网试点示范项目名单的通知。中天钢铁集团有限公司“中天钢铁网络安全分类分级管理建设项目”入选联网工业企业网络安全分类分级管理试点示范名单,中天钢铁集团(南通)有限公司“基于工业互联网赋能沿海钢铁基地本质安全的全协同解决方案”入选工业互联网平台+安全生产试点示范名单,金蝶软件(中国)有限公司“基于企业级工业互联网的供应链协同解决方案”入选工业互联网平台+产业链/供应链协同试点示范名单,北京六方云信息技术有限公司“基于人工智能技术的化工行业工业互联网安全分类分级安全防护系统”入选新技术融合创新应用试点示范名单。
•15日获悉,江苏省科学技术协会印发《关于公布“2022年江苏省示范企业科协”单位的通知》,表彰全省15家示范企业科协认定单位。中天钢铁集团有限公司荣登榜单。

•17日,省工信厅发布了关于盐城市联鑫钢铁有限公司电炉绿色升级改造项目产能置换方案的公示。

•18日获悉,南京市市长陈之常一行到梅山钢铁、南京钢铁调研。陈之常希望梅钢科学制定发展规划,加大节能环保、减污降碳、安全生产等方面投入,改进工艺流程,优化产品结构,加快实现绿色低碳转型。陈之常鼓励南钢坚持创新驱动,推进技术革新,加快智能化改造、数字化转型,推动绿色、低碳、数智等新技术与制造运营深度融合,锻造新型工业化新优势;大力发展智能制造、节能环保、新材料等新产业,提升钢铁产业集群下游定制化能力,不断延伸产业链,增强市场竞争力;更要树牢安全发展、绿色发展理念,持续加大节能环保、安全生产等方面投入。


•18日,中信特钢发布2022年年度报告,报告期内公司实现营业收入983.45亿元,同比下滑0.25%;归属于上市公司股东的净利润71.05亿元,同比下滑8.64%。报告期内经营活动产生的现金流量净额为134.34亿元,归属于上市公司股东的净资产362.77亿元。

