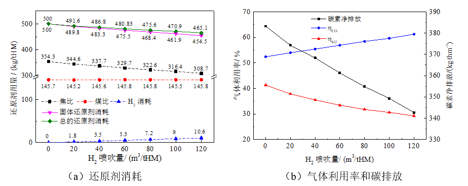
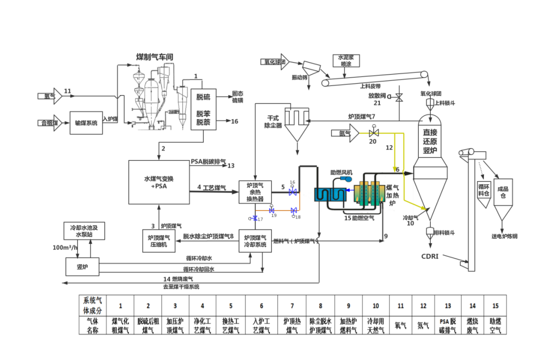
1 前言 2 国内外氢冶金工艺研发现状 2.1.1 日本COURSE50项目的高炉富氢还原炼铁 ▲图1 COURSE50项目技术路线 2.1.2 德国蒂森克虏伯高炉“以氢代煤”炼铁 ▲图2 蒂森克虏伯高炉喷吹氢气试验 2.1.4 中国宝武的核能-制氢-冶金耦合技术 ▲图3 中国宝武低碳冶金技术路线图 ▲图4 H2FUTURE项目的氢能产业链 (b)天然气ULCORED ▲图5 ULCORED富氢竖炉直接还原工艺 ▲图6 ULCOS氢气竖炉直接还原炼钢新工艺 2.2.2 瑞典HYBRIT突破性氢能炼铁项目 2016年4月,瑞典钢铁公司(SSAB)、瑞典大瀑布电力公司(Vattenfall)和瑞典矿业公司(LKAB)联合开展突破性氢能炼铁技术HYBRIT(Hydrogen Breakthrough Ironmaking Technology)项目[19],核心概念是采用可再生能源发电、电解水制氢、氢气直接还原铁矿石生产直接还原铁,不使用焦炭和煤等化石能源,达到碳减排的目的。项目2016-2017年进行初步可行性研究;2018-2024年进行全面可行性研究,建设中试厂进行试验;2025-2035年,建设示范厂并试运行;在2035年之前拥有一个无碳炼铁解决方案,以氢气气基竖炉-电炉短流程替代传统高炉-转炉流程,届时有望使瑞典CO2排放降低10%,芬兰CO2排放降低7%。 图7给出了HYBRIT新工艺和传统高炉工艺的对比。HYBRIT新工艺的能源主要来自非化石燃料和可再生能源。以氧化球团为原料,采用气基竖炉为还原反应器,还原气是由可再生电力生产的纯氢,还原产物是水。基于瑞典生产数据,以吨钢为计算单位,HYBRIT新工艺二氧化碳排放、可再生能源消耗、化石能源消耗、电力消耗分别为25 kg、560 kWh、42 kWh、3488 kWh,能源消耗总计4090 kWh(含可再生能源560 kWh)。与高炉流程相比,HYBRIT新工艺二氧化碳排放降低1575 kg,降低了98.44%;能源消耗减少1376 kWh,减少了36.19%。 ▲图7 HYBRIT新工艺和高炉工艺的对比 2.2.3 德国SALCOS氢气竖炉直接还原技术 2019年4月,德国萨尔茨吉特钢铁公司与Tenova公司签署了谅解备忘录,旨在继续推进以氢气为还原剂炼铁,从而减少二氧化碳排放的SALCOS项目。该项目的设想如图8所示,旨在对钢铁生产工艺进行逐步改造,把以高炉为基础的碳密集型长流程逐步转变为氢气气基竖炉直接还原-电炉短流程,同时实现富余氢气的多用途利用。 ▲图8 SALCOS项目工艺设想 ▲图9 MIDREX-H2?工艺流程 MIDREX H2?工艺是指100%采用氢气作为入炉还原气,技术路线如图9所示[21-22]。将外部生成的氢气引入常规MIDREX生产系统,无需重整装置,利用气体加热装置将氢气加热到所需温度。但为了控制炉温和增碳,实际生产时入炉还原气中的氢气含量约为90%,其他为CO、CO2、H2O和CH4,这些成分是由于采用天然气进行炉温控制和DRI渗碳时引入的。此外,由于竖炉内存在水煤气反应,还原气中的CO2和CO可保持平衡,因此系统内不需要CO2脱除装置。根据计算,生产每吨DRI的氢气消耗量约为550 Nm3,另外还需250 Nm3的H2作为入炉煤气加热炉的燃料。与高炉流程相比,该工艺可将CO2排放量降低80%左右。 2.2.5 我国的气基竖炉直接还原探索和氢冶金项目 与煤基直接还原工艺相比,气基竖炉直接还原因产品纯净、污染物排放少、能耗低、自动化程度高、可大型化等优势,被认为是后高炉时代的首选工艺技术,一直受到我国钢铁界的关注。20世纪70年代,我国自行设计、建设了处理钒钛磁铁矿球团的5m3气基竖炉,试验顺利成功,但因天然气资源问题被迫终止。到70年代后期,在韶钢建成以水煤气为还原气,气基竖炉工业化试验生产线,进行了长达3年的试生产,但因缺乏高品位铁矿石、水煤气制气单机生产能力过小等原因未实现工业化生产。80年代,宝钢开展了BL法煤制气—竖炉生产直接还原铁半工业化试验研究,试验是成功的,但因当时的高品位铁原料及制气成本问题,未能进一步开发。自2005年,辽宁、吉林、内蒙、安徽、山西等地,均有筹建气基竖炉直接还原生产线的规划。目前,中晋太行已经建成年产30万吨DRI的焦炉煤气-竖炉直接还原项目,以干重整焦炉煤气为还原气,目标二氧化碳排放减少28%,计划于2020年9月点火运行。以上关于气基竖炉直接还原工业化试验或工程探索工作,为我国发展气基竖炉直接还原和氢冶金奠定了一定的基础。 2019年11月22日,河钢集团与意大利特诺恩集团签署谅解备忘录,商定双方在氢冶金技术方面开展深入合作,利用世界最先进的制氢和氢还原技术,并联手中冶京诚,共同研发、建设全球首例120万吨规模的氢冶金示范工程,应用于河钢宣钢转型升级项目。项目将从分布式绿色能源、低成本制氢、焦炉煤气净化、气体自重整、氢冶金、成品热送、CO2脱除等全流程进行创新研发,探索出一条钢铁工业发展低碳、甚至“零碳”经济的最佳途径。从改变能源消耗结构入手,彻底解决钢铁生产的环境污染和碳排放问题,从而引领钢铁生产工艺变革。 2020年5月8日,京华日钢控股集团有限公司与中国钢研签订了《年产50万吨氢冶金及高端钢材制造项目合作协议》。本项目以氢冶金全新工艺-装备-品种-用户应用为目标,进行系统性、全链条的创新开发,通过现代化工、冶金联产循环经济的方式,建设具有我国自主知识产权的首台套年产50万吨氢冶金及高端钢材制造产线。 3 富氢还原高炉与富氢气基竖炉的碳减排潜力对比 ▲图10 高炉喷吹H2的还原剂消耗、气体利用率和碳排放 ▲图11 高炉喷吹天然气的还原剂消耗、气体利用率和碳排放 ▲图12 高炉喷吹焦炉煤气的综合经济效益、气体利用率和碳排放 ▲图13 煤制气-富氢气基竖炉-电炉短流程 (a)和高炉-转炉流程(b)工艺系统边界 长短流程的环境影响单一指标对比见图14。可见,煤制气-气基竖炉短流程免除了高污染、高能耗的烧结、焦化、高炉等工序,ADP、AP、EP、GWP100、HTP和POCP分别是高炉-转炉工艺的75.5%、3.51%、1.53%、50.54%、58.3%和53.19%,具有显著的低环境负荷优势。此外,长流程和短流程吨钢能耗及主要污染物排放对比见图15。可见,煤制气-气基竖炉短流程吨钢能耗仅为263.67 kgce,碳排放量为859.55 kg,相比BF-BOF流程,吨钢能耗、CO2可分别减少60.64%和54.3%。而SO2、NOx和粉尘排放量可减少74.0%、22.7%和15.9%。综合可知,煤制气-气基竖炉-电炉短流程工艺对环境影响更小,可在更大程度上实现CO2减排。若在煤制气-富氢气基竖炉的基础上,进一步发展全氢气基竖炉,碳减排效果将进一步强化。 ▲图14 BF-BOF与气基竖炉短流程单一指标对比 ▲图15 BF-BOF流程与煤制气-气基竖炉-电炉流程能耗及主要污染物排放对比 4 气基竖炉直接还原使用纯氢还是富氢煤气 ▲图16 炉顶压力0.4MPa、900℃条件下气基竖炉入炉还原气需要量 5 富氢气基竖炉直接还原-电炉短流程工程示范 ▲图17 东北大学-华信钢铁的煤制气-富氢气基竖炉短流程示范工程 6 结论 参考文献: [1] Tang J, Chu M S, Li F, et al. Development and progress on hydrogen metallurgy[J]. Int. J. Miner. Metall. Mater., 2020, 27(6): 1. [2] Zhang Q, Li Y, Xu J, et al. Carbon element flow analysis and CO2 emission reduction in iron and steel works [J]. J. Clean. Prod., 2018, 172: 709. [3] 干勇,仇圣桃. 先进钢铁生产流程进展及先进钢铁材料生产制造技术[J].中国有色金属学报,2004,14(1):25. [4] 沙高原,刘颖昊,殷瑞钰,等. 钢铁工业节能与CO2排放的现状及对策分析[J].冶金能源,2008,(1): 3-5. [5] 景春梅,何七香,欧训民. 从日韩氢能产业看我国氢能发展[J]. 能源,2019(12):25. [6] 张景新,胡红梅. 新能源“风口”下的中国氢经济之路[J]. 新材料产业,2019(02):40. [7] 郑少波.氢冶金基础研究及新工艺探索[J]. 中国冶金,2012,22(7):1. [8] 张京萍. 拥抱氢经济时代全球氢冶金技术研发亮点纷呈[N]. 世界金属导报,2019-11-26(01). [9] 魏侦凯,郭瑞,谢全安. 日本环保炼铁工艺COURSE50新技术[J]. 华北理工大学学报(自然科学版),2018,40(3):26. [10] 符冠云,熊华文. 日本、德国、美国氢能发展模式及其启示[J]. 宏观经济管理,2020(06):84-90. [11] 日韩钢铁界推进氢还原炼铁工艺技术开发[N]. 世界金属导报,2020-02-04(F01). [12] 毛晓明. 宝钢低碳冶炼技术路线[A].第十二届中国钢铁年会炼铁与原料分会场报告[C]. 北京:中国金属学会,2019. [13] Quader A M, Ahmed S, Dawal S Z, et al. Present needs, recent progress and future trends of energy-efficient ultra-low carbon dioxide Steelmaking (ULCOS) program[J]. Renew. Sust. Energ. Rev., 2016, 55: 537. [14] Birat J P. 超低CO2炼钢项目与其他减排项目及减排新理念[J]. 世界钢铁,2014,5:22. [15] 严珺洁. 超低二氧化碳排放炼钢项目的进展与未来[J]. 中国冶金,2017,27(2):6-11. [16] Kushnir D, Hansen T, Vogl V, et al. Adopting hydrogen direct reduction for the Swedish steel industry: A technological innovation system (TIS) study[J]. J. Clean. Prod., 2020, 242: 1. [17] Ranzani da Costa A,Wagner D,Patisson F. Modelling a new, low CO2 emissions, hydrogen steelmaking process[J]. J.Clean. Prod.,2013,46:27-35. [18] H2future. H2future technology[EB/OL]. https://www.h2future-project.eu/technology/. [19] Vogl V,?hman M,Nilsson L J. Assessment of hydrogen direct reduction for fossil-free steelmaking[J]. J. Clean. Prod.,2018,203:736-745. [20] Salzgitter Flachstahl, Linde in steel industry clean hydrogen project[J]. Fuel Cells Bulletin, 2018, 2018(12): 12. [21] Sohn H Y. Suspension ironmaking technology with greatly reduced energy requirement and CO2 emissions[J]. Steel Times Int.,2007,31(4):68. [22] Chevrier V, 钱良丰. MIDREX H2?超低CO2排放炼铁技术及MIDREX过渡到氢经济工艺[A]. 全国冶金还原冶炼新工艺论坛暨2019年非高炉冶炼年会论文集[C]. 保山:中国废钢铁应用协会,2019: 91. [23] 沈威,杨炜樱. 考虑碳排放的化石能源和电解水制氢成本[J]. 煤气与热力,2020,40(03):30. [24] 单彤文,宋鹏飞,李又武,等. 制氢、储运和加注全产业链氢气成本分析[J]. 天然气化工(C1化学与化工),2020,45(01):85. [25] 王金兰,赵建炜,李刚,等. 渣油加氢裂化未转化油气化制氢经济性研究[J].炼油技术与工程,2020,50(01):57-59.




















