RTO燃烧系统阀组

AirHeat V1 集成系统
AirHeat V1集成系统采用紧凑的模块化设计的AirHeat V1,提供可靠的操作性以及最低的维护。所有型号配有整体助燃风机,安装在燃烧器的钢壳上,具有无与伦比的空气加热性能。通过提供准确的风量和压力,风机在风道速度范围内可保持稳定的操作,不需再安装挡风板。控制部分使用SLATE控制系统。管路部分采用模块化设计,可根据客户需求、场地等要求灵活设计,为客户提供高效、高性价比的服务。

应用范围:
AirHeat V1集成系统适用性广,可适用于焚化炉、干燥固化炉、纺织品干燥炉、陶瓷烘干炉、食品加工/烘焙炉、间接空气加热等。
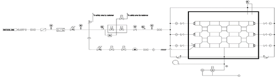
工作原理/工艺流程:

AHMA集成系统
AH-MA 集成系统所使用的AH-MA 燃烧器是在补充过程空气加热应用中加热新鲜空气的理想选择。AH-MA的特点是独立的模块化设计,可在更广的流速、功率和燃料范围内运转。控制部分使用SLATE控制系统。管路部分采用模块化设计,可根据客户需求、场地等要求灵活设计,为客户提供高效、高性价比的服务


应用范围:
AH-MA 集成系统适用于补充空气加热、干燥过程等,尤其适用于要求低排放的场合。
工作原理/工艺流程:

ThermJet 集成系统
ThermJet 集成系统采用具有超低的 NOx 排放的ThermJet 高速燃烧器,与同类产品相比ThermJet排放更低。控制部分使用SLATE控制系统。管路部分采用模块化设计,可根据客户需求、场地等要求灵活设计,为客户提供高效、高性价比的服务。

应用范围:
ThermJet 集成系统适用性广,可运用在环保行业、预热空气、玻璃退火炉、有色金属熔炼、钢包烘烤、热氧化炉、淬火炉、回火炉、再加热炉、流化床干燥器等。
工作原理/工艺流程:

