2026年05月10日
星期日
会员登录
|
注册会员
网站首页
协会概况
协会简介
协会章程
领导机构
常务理事会
理事会
部门介绍
入会指南
新闻动态
协会新闻
行业资讯
会员动态
大事记
杂志刊物
主办刊物
行业期刊
科学技术
先进技术
原料
焦化
烧结
球团
炼铁
炼钢
轧钢
绿色低碳
节能减排
超低排放公示
节能减排技术
科技成果
国家科技进步奖
省级科技进步奖
技术创新奖
专利成果
中钢协奖项
省钢协奖项
科技专家
协会专家库
长三角质量提升专家库
行业院士
科技动态
政府授权
公平贸易工作站
打假维权工作站
长三角冶金质量提升工作秘书处
职业技能等级认定
江苏省钢铁及金属新材料标委会
法律法规
基础法规
税收法规
产业政策
环境法规
安全法规
绿色法规
其他法规
公共服务
冶金大讲堂
品牌建设
质量建设
标准化
认证认可
检验检测
计量测试
展示中心
企业之窗
钢铁产品
原辅材料
工艺装备
仪器仪表
联系我们
江苏省钢铁行业协会
协会地址 : 南京市御道街58-2号 明御大厦703室
咨询热线 : 025-84490768、84487588
协会传真 : 025-84487588、84490768
首页
> 展示中心
> 钢铁产品
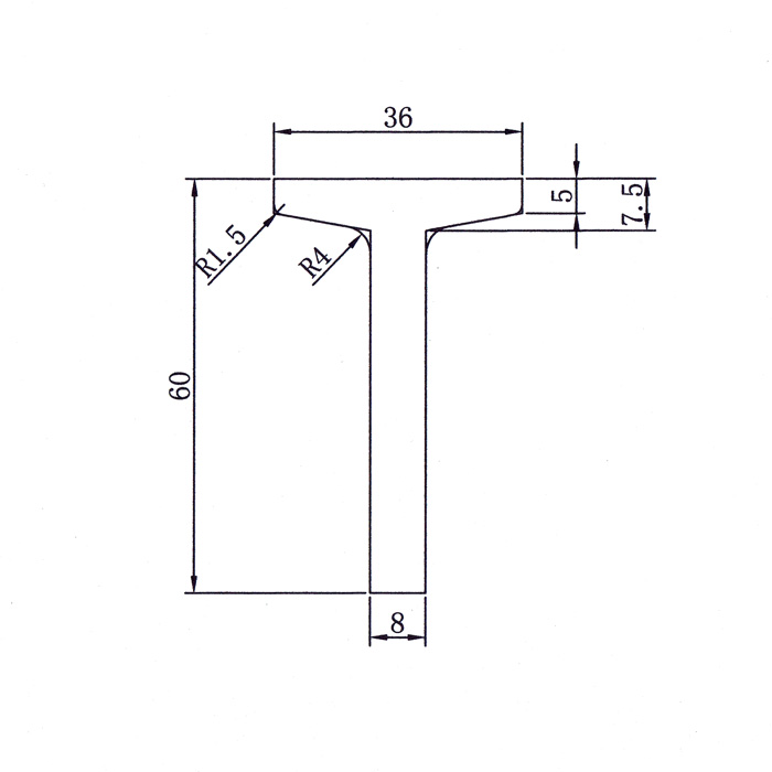
【电力铁塔专用T型钢】吴江市隆鑫电梯部件有限公司
2022-11-29 10:26:25
来源:吴江市隆鑫电梯部件有限公司
浏览
174
次
电力铁塔专用T型钢
上一篇:【冷拉T型导轨系列】吴江市隆鑫电梯部件有限公司
下一篇:【轴承内圈】张家港市逸洋制管有限公司
咨询热线
025-84490768、84487588
秘书长信箱
jsyj8888@126.com jsgt8888@126.com
在线QQ
3388077659
官方微信
回到顶部